MTU 2000/4000 Parts | X00E50201372 | TEMPERATURE SENSOR

X00E50201372 TEMPERATURE SENSOR

Other
Other X52601600011 GASKET X59407700021 ADAPTATEUR P. CONDUITE HP X59499100015 HOSE FOR AIR COMPRESSOR X59499100014 HOSE FOR AIR COMPRESSOR EX59403800070/42 CONROD 0005357333 SPEED SENSOR 0005357833 SPEED SENSOR X00E50207196 PRESSURE SENSOR X00E50207217 PRESSURE SENSOR 0005358133 SPEED SENSOR 5241420057 SEALING RING X54707700072 RELIEF VALVE FOR 4-CYL HP PUMP 0005357633 SPEED SENSOR X59417200010 STARTER ELECTRIC 5249900705 BOLT HEX FLG 11506101 NUT 23524783 SEAL 5244920181 SEALING RING 5240382550 BUSHING CONROD SIZE 0 XP59612300047 INSULATION X54920200040/87 WATER PUMP HIGH-TEMP X52499100022 GASKET X54999100010 GASKET X59399100031 GASKET X00008172 GROMMET X59399100033 GROMMET X59414100022 RESTRICTOR 5240111480 GASKET 5241880180 GASKET X00004135 GASKET X00038531 HOSE TURBO OIL SUPPL 000125013012 WASHER 0001800015 PRESSURE REDUCING VA LVE ASSY X52408100007 LINK 915005020001 SEALING CONE 000912010014 BOLT HEX SOC HD 700223010000 BOLT BANJO A12 5319970245 SEALING RING 000908030002 THREAD PLUG 5249900605 BOLT HEX CAP XP52799101135 SEAL RING 0000160119 SEALING RING 5240160153 TUBE INJECTOR XP56918300055 OVERFLOW VALVE 0005357533 SPEED SENSOR X59407700023 HP FUEL LINE 5240780824 CONN FUEL RAIL REAR X52808100014 FUEL DELIVERY PUMP X52404200043 GASKET FOR CYLINDER HEAD 0035352231 PRESSURE SENSOR 0049976736 VALVE DRAIN X00007116 V-BAND CLAMP X59399100141 BELLOWS X00E50207213 PRESSURE SENSOR X57508300091 FUEL FILTER SPIN-ON 5240530830 VALVE GUIDE X52404200010 VALVE GUIDE EX52407500064 INJECTOR X54799101554 NON-RETURN VALVE WITH BAFFLE X52414700025 INSULATING MAT FOR EXH PIPE X52414100123 GASKET F.EXHAUST MANIFOLD X52412400138 GASKET 0090374419 KEYSTONE COMPR RING 5260160153 SLEEVE X00011779 GASKET XP52414800015 SEALING RING X00E50203606/S0002 KNOCKING MODULE X52404200071 GASKET FOR CYLINDER HEAD S-20056163 SEALING RING X52607700009 ADAPTER JACKETED EX59403700072 PISTON X59403800071/42 CONNECTING ROD 5241420780 GASKET 23540304/A1 GASKET KIT 5240384210 CONROD BEARING SIZE 0-1 X00043219 CONROD BEARING SIZE 0-1 5240332730 CRANKSHAFT BEARING DRIVING X00016599 BEARING BUSHING X59301300049 CYLINDER LINER STAGE 0 XP59501800123 FILTER ELEMENT 5260200305 HOUSING+ROTATING ASM 5272010505 SHAFT WAT PUMP X59607700020 ADAPTER FOR HP LINE EX00035690 PISTON EX00008371 PISTON X52404500056 SPARKPLUG X00E50200176 CONNECTION INTERFACE 0001424957 RING EXH MANIF X52408300025 FUEL HAND PUMP 5240980281 HOSE X52420300037 THERMAL ACTUATOR 5240333407 BEARING THRUST/0-1/LO/SPT 5240332608 BEARING THRUST/0-1/UP/RIL 5110850960 PISTON RING X52499100815 4/2-WAY SOL. VALVE XP52712100006 FILTER ELEMENT XP52712100005 FILTER ELEMENT XP52712100003 FILTER ELEMENT XP52712100002 FILTER ELEMENT 5205304069 SPEED TRANSMITTER X52421300004 ALTERNATOR 0219976547 SEAL RING CRANKSHAFT FRONT 0219976647 SEAL RING CRANKSHAFT REAR XP59408300054 FILTER CARTRIDGE XP59400600004 GASKET KIT XP52718300064 GASKET KIT XP52718300065 CIRCLIP KIT XP52718300060 PAPER INSERT X52808100004 FUEL DELIVERY PUMP 8691840027 ROTOR COMPLETE 5240530905 EXHAUST VALVE 5240531101 INLET VALVE 5240550550 BUSHING X52499100259 ADJUSTING SCREW X52405400013 PUSHROD 0000530926 VALVE KEEPER WEDGE 5240530120 VALVE SPRING OUTER 5240530122 VALVE SPRING INNER 5240530805 EXHAUST VALVE X52404100226 INLET VALVE X52404200037 GASKET FOR CYLINDER HEAD X52404200052 SEAL RING 5240380471 CONROD BOLT 0120373618 OIL CONTROL RING 0090375019 TAPER FACE COMP RING X00009806 RECTANGLR-SECT RING 5240336702 CRANKSHAFT BEARING SIZE 0-1 5110804420 TURBINE WHEEL X52403100003 CRANKSHAFT BEARING SIZE 0-1 5240336602 CRANKSHAFT BEARING LOWER HALF X00016024 CRANKSHAFT BEARING SIZE 0-0 5240332630 CRANKSHAFT BEARING AUX PTO END 5240111380 GASKET X00027830 CYLINDER LINER SIZE 0 C23 5240510110 BEARING CAMSHAFT STD 23540455 CENTRIFUGAL OIL FILTER ASM 5240114210 CYLINDER LINER SIZE 0 X59620600007 THERMAL ACTUATOR X59699101095 BANJO SCREW X59620700004 SEAL CARRIER XP00A36400005 FILTER ELEMENT X52407800004 FLOW RESTRICT VALVE 0299976748 O-RING X52499100774 SUPPORT PLATE X52420200075 ROTARY SEAL X51699100327 SHAFT SEAL RING XP59420700027 IMPELLER X59407700014 ADAPTER 5272010153 SPACER SLEEVE X00040012 SPEED SENSOR X59610100061 BEARING BODY 5110251976 WASHER X59610100101 THRUST BEARING 8695860572 GASKET KIT XP59420300091 SEAL RING 5241870380 GASKET X52414100132 GASKET FOR EXHAUST PIPE X56912300043 ACTUATING CYLINDER X59420200235 RESTRICTOR X59420200234 RESTRICTOR X59420200233 RESTRICTOR X59420200238 RESTRICTOR 5240384110 CONROD BEARING UPPER HALF XP58420400009 GASKET X00041552 COOLER PLATE X52403800001 CONROD BEARING XP52618300032 OIL FILTER ELEMENT X00008369 PISTON 5410180233 DIAPHRAGM 700429038003 O-RING XP59307500002 O-RING X52405500190 PROFILE GASKET F CYLIND X00044065 SLEEVE RUBBER
PART NUMBER X00E50201372
ENGINE TYPE MTU 4000 ENGINE
DESCRIPTION TEMPERATURE SENSOR
DIMENSIONS M14X1,5, 58MM, KABEL=1M,STECKER
UNIT WEIGHT 0.232 KG
HS CODE 90251900
NATO-VERS.-NR. 6685123771049
MTU Friedrichshafen GmbH
MTU Friedrichshafen GmbH
  • Install drawings
  • original parts

MTU X00E50201372 Technical Engineering Exploded View

MTU X00E50201372 Technical Engineering Exploded View

MTU X00E50201372 Technical Engineering Exploded View

C/N Description Part-Number Qty
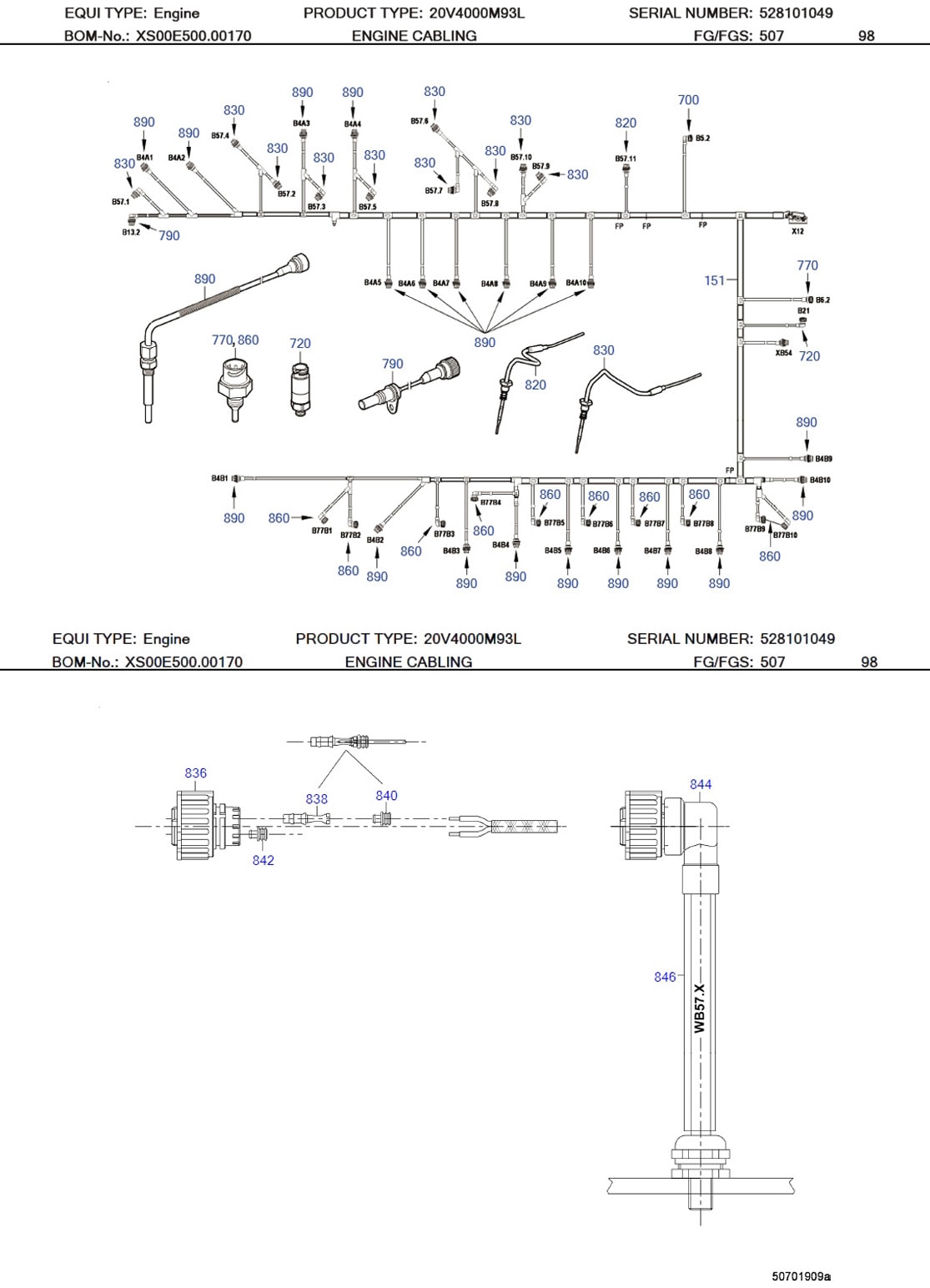
101 WIRING HARNESS TO INJECTOR X00E50700383 001
130 WIRING HARNESS FOR ON-ENGINE SENSO X00E50700336 001
151 WIRING HARNESS FOR ON-ENGINE SENSO X00E50700386 001
200 PRESSURE SENSOR 0035352531 002
207 PRESSURE SENSOR X00E50200606 001
220 PRESSURE SENSOR X00018659 001
260 PRESSURE SENSOR 0035351731 002
280 BUSHING 5240780050 002
290 O-RING 735221011000 002
310 PRESSURE SENSOR 0035352931 001
330 PRESSURE SENSOR 0035352231 001
380 TEMPERATURE SENSOR X00E50201372 004
450 TEMPERATURE SENSOR 0005356430 005
470 TEMPERATURE SENSOR X00E50201370 001
500 SPEED SENSOR 0005357533 001
520 SPEED SENSOR 0005357633 001
570 SPEED TRANSMITTER 5205304069 004
630 LEVEL MONITOR X00E50203667 001
640 COPPER SEALING RING 007603018101 001
670 SWITCH E-STOP 45MM W/SELF MONITORING CO 635H22706/2 002
700 PRESSURE SENSOR 0035352531 001
720 PRESSURE SENSOR 0045358931 001
770 TEMPERATURE SENSOR 0005356430 001
790 SPEED SENSOR 0005357633 001
820 TEMPERATURE SENSOR X00E50203786 001
830 TEMPERATURE SENSOR X00E50203785 010
836 BUSH HOUSING FOR CRIMP CONTACT 0165313283 011
838 FEMALE CONTACT FOR BUSH HOUSING 0165313383 022
840 SINGLE-CORE INSUL 0165313483 022
842 BLANKING PLUG 0165313583 022
844 ADAPTER FOR CABLE 0165317383 011
860 TEMPERATURE SENSOR 0005356430 010
890 THERMOCOUPLE 0005359960 020

X00E50201372 SUPERSEDED PART AND EFFECTIVE DATE

X00E50201372 SUPERSEDED PART AND EFFECTIVE DATE

C/N New Part Number Superseded Part Number Valid From Date
01 X00E50210379 0005355730 N/A
02 X00E50210379 0005358530 2006/12/01
03 X00E50210379 X00E50201372 2007/01/01
04 X00E50210379 X00E50210379 2015/07/13

MTU 4000 Diesel Engine Models & Specifications

MTU 2000 M96 Family

MTU 4000 Diesel Engine Models & Specifications

Make Rated power kW Speed rpm Bore/stroke mm (in)
8V 4000 R43 1000 1800 170/210 (6.7/8.3)
8V 4000 R43L 1200 1800 170/210 (6.7/8.3)
12V 4000 R43 1500 1800 170/210 (6.7/8.3)
12V 4000 R43L 1800 1800 170/210 (6.7/8.3)
16V 4000 R43R 2000 1800 170/210 (6.7/8.3)
16V 4000 R43 2200 1800 170/210 (6.7/8.3)
16V 4000 R43L 2400 1800 170/210 (6.7/8.3)
20V 4000 R43 2700 1800 170/210 (6.7/8.3)
20V 4000 R43L 3000 1800 170/210 (6.7/8.3)
20V 4000 R63R 2700 1800 170/210 (6.7/8.3)
20V 4000 R63 3000 1800 170/210 (6.7/8.3)
20V 4000 R63L 3300 1800 170/210 (6.7/8.3)
12V 4000 R54 1800 1800 170/210 (6.7/8.3)
20V 4000 M93L 4300 2100 170/190 (6.7/7.5)
16V 4000 R54 2400 1800 170/210 (6.7/8.3)
12V 4000 R64 1500 1800 170/210 (6.7/8.3)
12V 4000 R84 1800 1800 170/210 (6.7/8.3)
16V 4000 R64 2000 1800 170/210 (6.7/8.3)